Podłączenie ogrzewania podłogowego do pieca centralnego ogrzewania to zadanie, które na pierwszy rzut oka może wydawać się skomplikowane. Jednak przy odpowiedniej wiedzy i starannym wykonaniu, jest to proces w pełni wykonalny. Kluczem do sukcesu jest zrozumienie podstawowych zasad działania obu systemów i zastosowanie właściwych komponentów. W tym artykule przeprowadzę Was przez cały proces, wyjaśniając krok po kroku, jak zintegrować ogrzewanie podłogowe z istniejącym lub nowym źródłem ciepła, tak aby zapewnić komfort, bezpieczeństwo i efektywność energetyczną.
Kluczowe aspekty podłączania ogrzewania podłogowego do pieca
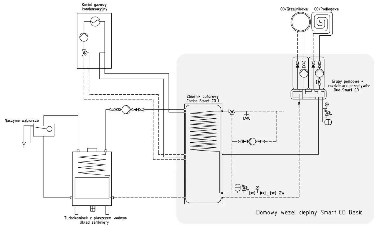
- Ogrzewanie podłogowe wymaga niższej temperatury wody (max 50-55°C) niż piece (70-90°C), co wyklucza bezpośrednie podłączenie.
- Niezbędne komponenty to rozdzielacz, grupa pompowo-mieszająca lub zawór mieszający, obniżające temperaturę wody.
- Schemat podłączenia różni się w zależności od typu pieca (gazowy kondensacyjny, na paliwo stałe) i obecności grzejników.
- Kocioł na paliwo stałe wymaga ochrony przed "zimnym powrotem" za pomocą zaworu mieszającego lub bufora ciepła.
- Sprzęgło hydrauliczne jest kluczowe w instalacjach mieszanych lub z wieloma obiegami, chroniąc piec przed taktowaniem.
- Przed uruchomieniem konieczna jest próba ciśnieniowa, odpowietrzenie i precyzyjna regulacja przepływu na rotametrach.

Dlaczego prawidłowe podłączenie podłogówki to klucz do komfortu i oszczędności?
Zanim przejdziemy do szczegółów technicznych, musimy zrozumieć fundamentalną zasadę, która determinuje sposób podłączenia ogrzewania podłogowego do kotła grzewczego. Jest to kwestia temperatur. Piece centralnego ogrzewania, zwłaszcza te starszego typu lub pracujące na paliwo stałe, często generują wodę o temperaturze sięgającej nawet 70-90°C. Tymczasem ogrzewanie podłogowe to system niskotemperaturowy. Optymalna temperatura wody krążącej w jego pętlach wynosi zazwyczaj od 30°C do maksymalnie 50-55°C. Bezpośrednie podłączenie gorącej wody z pieca do systemu podłogowego byłoby katastrofalne w skutkach.
Różnica temperatur, czyli dlaczego nie można połączyć pieca z podłogówką "na krótko"?
Jak już wspomniałem, kluczowa jest tutaj różnica temperatur. Podłogówka, ze względu na swoją konstrukcję i sposób oddawania ciepła, jest systemem zaprojektowanym do pracy z niską temperaturą czynnika grzewczego. Zbyt wysoka temperatura wody (powyżej 55°C) może prowadzić do szeregu problemów. Przede wszystkim, może uszkodzić materiały wykończeniowe podłogi panele, parkiet czy wykładzinę mogą się odkształcać, pękać lub odspajać od podłoża. Co więcej, wysoka temperatura może negatywnie wpłynąć na same rury systemu podłogowego, skracając ich żywotność. Podłączenie "na krótko", czyli bez żadnych elementów regulujących temperaturę, jest po prostu niebezpieczne dla całej instalacji i komfortu użytkowania.
Poznaj serce instalacji: rozdzielacz, zawór mieszający i pompa
Aby zapewnić prawidłowe działanie ogrzewania podłogowego, niezbędne są specjalne komponenty, które skutecznie obniżą temperaturę wody zasilającej system. Serce tej instalacji stanowi rozdzielacz. Jest to element, do którego podłączane są poszczególne pętle grzewcze wykonane z rur układanych pod podłogą. Każda pętla jest niezależnie regulowana za pomocą przepływomierzy zamontowanych na belce zasilającej rozdzielacza. To właśnie dzięki nim możemy precyzyjnie ustawić przepływ wody w każdej sekcji, zapewniając równomierne grzanie całej powierzchni. Kluczowym elementem współpracującym z rozdzielaczem jest grupa pompowo-mieszająca lub zawór mieszający. Ich zadaniem jest pobranie gorącej wody z pieca i zmieszanie jej z wodą powracającą z instalacji podłogowej, tak aby uzyskać wymaganą, niską temperaturę zasilania. Pompa obiegowa zapewnia natomiast cyrkulację wody w obiegu podłogowym.
Jak krok po kroku podłączyć rozdzielacz ogrzewania podłogowego?
Montaż rozdzielacza ogrzewania podłogowego to etap, który wymaga precyzji i przestrzegania kilku zasad. Choć często jest to zadanie dla fachowca, zrozumienie poszczególnych kroków pozwoli Ci lepiej nadzorować pracę instalatora lub samodzielnie wykonać pewne czynności, jeśli masz odpowiednie doświadczenie.
Wybór i montaż szafki rozdzielacza: gdzie i jak ją umieścić?
Pierwszym krokiem jest wybór odpowiedniej szafki na rozdzielacz. Dostępne są szafki podtynkowe, które montuje się w ścianie, oraz natynkowe, mocowane bezpośrednio na jej powierzchni. Wybór zależy od konstrukcji budynku i preferencji estetycznych. Niezależnie od typu, kluczowe jest umiejscowienie szafki. Idealnym miejscem jest centralny punkt budynku, z którego można poprowadzić pętle grzewcze do poszczególnych pomieszczeń w miarę równych długościach. Ważne jest również zapewnienie łatwego dostępu do rozdzielacza w celu ewentualnej regulacji czy konserwacji. Szafka musi być solidnie zamocowana do ściany, aby zapewnić stabilność całej konstrukcji.
Podłączanie belek zasilającej i powrotnej: na co zwrócić uwagę?
Po zamontowaniu szafki przystępujemy do podłączenia belek rozdzielacza zasilającej i powrotnej. Belka zasilająca jest tą, do której doprowadzana jest już schłodzona woda z powrotu instalacji podłogowej, a następnie rozprowadzana do poszczególnych pętli. Belka powrotna zbiera wodę z pętli i kieruje ją z powrotem do grupy mieszającej lub zaworu mieszającego, aby została ponownie podgrzana. Niezwykle ważne jest prawidłowe podłączenie tych elementów do głównego obiegu grzewczego. Należy zwrócić uwagę na odpowiednie zawory odcinające, które pozwolą na izolację rozdzielacza od reszty instalacji w razie potrzeby. Obowiązkowe są również odpowietrzniki, które umożliwią usunięcie powietrza z systemu, oraz spusty do opróżniania instalacji. Kluczowa jest też szczelność wszystkich połączeń każde nieszczelne połączenie to potencjalny problem i ryzyko zalania.
Instalacja grupy pompowo-mieszającej: klucz do idealnej temperatury
Grupa pompowo-mieszająca lub zawór mieszający to serce systemu regulacji temperatury. Jej montaż polega na podłączeniu pompy obiegowej oraz zaworu mieszającego do belek rozdzielacza. Zawór mieszający, zazwyczaj trójdrożny lub czterodrożny, działa na zasadzie regulacji proporcji gorącej wody zasilającej z kotła i schłodzonej wody powracającej z podłogówki. Dzięki temu można ustawić precyzyjną temperaturę wody, która trafi do pętli grzewczych. Prawidłowe ustawienie zaworu mieszającego, zgodnie z zaleceniami producenta systemu podłogowego i kotła, jest kluczowe dla efektywnego i bezpiecznego ogrzewania. Pompa obiegowa zapewnia natomiast stały przepływ wody przez pętle.
Schematy podłączenia podłogówki w zależności od rodzaju pieca
Rodzaj posiadanego pieca ma kluczowe znaczenie dla sposobu podłączenia ogrzewania podłogowego. Różne typy kotłów mają odmienne charakterystyki pracy, co wymaga zastosowania odpowiednich rozwiązań instalacyjnych. Przyjrzyjmy się najpopularniejszym scenariuszom.
Scenariusz 1: Kocioł gazowy kondensacyjny idealny partner dla podłogówki
Kotły gazowe kondensacyjne to często wybierany partner dla ogrzewania podłogowego, i to z bardzo dobrych powodów. Ich główną zaletą jest wysoka sprawność osiągana właśnie przy niskich temperaturach pracy, zazwyczaj w zakresie 30-40°C, co idealnie wpisuje się w wymagania podłogówki. W prostych instalacjach, gdzie jedynym odbiornikiem ciepła jest ogrzewanie podłogowe, kocioł kondensacyjny często może samodzielnie modulować temperaturę wody zasilającej, co pozwala na bezpośrednie podłączenie rozdzielacza. Jednak w przypadku bardziej złożonych systemów, gdzie oprócz podłogówki występują również tradycyjne grzejniki (które wymagają wyższej temperatury), niezbędne staje się zastosowanie sprzęgła hydraulicznego. Rozdziela ono obieg wysokotemperaturowy (dla grzejników) od niskotemperaturowego (dla podłogówki), zapewniając prawidłową pracę obu systemów i chroniąc kocioł.
Scenariusz 2: Piec na paliwo stałe (węgiel, pellet) jak zadbać o ochronę powrotu?
Podłączenie ogrzewania podłogowego do kotła na paliwo stałe jest bardziej wymagające i wiąże się z koniecznością szczególnej ochrony instalacji. Kotły te pracują na wysokich temperaturach, a problemem jest tzw. "zimny powrót" czyli woda o zbyt niskiej temperaturze wracająca z instalacji do kotła. Taka sytuacja może prowadzić do kondensacji pary wodnej na zimnych elementach kotła, co z czasem powoduje korozję niskotemperaturową i znacząco skraca żywotność urządzenia. Aby temu zapobiec, w instalacjach z kotłem na paliwo stałe stosuje się zawór mieszający (najczęściej czterodrożny) lub bufor ciepła. Zawór mieszający podnosi temperaturę wody powracającej do kotła, a bufor ciepła działa jak akumulator energii, stabilizując pracę kotła i zapobiegając jego gwałtownym wahaniom temperatury. Często instalacje z kotłami na paliwo stałe pracują w systemie otwartym, co wymaga zastosowania odpowiednich zabezpieczeń. Według danych z muratordom.pl, jest to kluczowe dla trwałości całej instalacji.
Scenariusz 3: Instalacja mieszana (grzejniki i podłogówka) rola sprzęgła hydraulicznego
Systemy grzewcze, w których współistnieją zarówno grzejniki, jak i ogrzewanie podłogowe, należą do najbardziej złożonych. Grzejniki pracują zazwyczaj w obiegu wysokotemperaturowym (np. 55-70°C), podczas gdy podłogówka wymaga niskiej temperatury (30-55°C). Bezpośrednie połączenie tych dwóch systemów bez odpowiedniego zabezpieczenia doprowadziłoby do przegrzewania podłogówki i niedogrzewania grzejników, a także mogłoby uszkodzić kocioł. W takich sytuacjach sprzęgło hydrauliczne jest absolutnie niezbędne. Działa ono jak separator hydrauliczny, który oddziela obieg kotłowy od obiegów grzewczych. Pozwala to na niezależną pracę pomp i optymalne dostosowanie temperatury dla każdego typu odbiornika ciepła. Kocioł pracuje w swoim optymalnym zakresie, a jego pompa nie musi pokonywać oporów instalacji podłogowej czy grzejnikowej.
Sprzęgło hydrauliczne: kiedy jego zastosowanie jest absolutnie konieczne?
Sprzęgło hydrauliczne to element, który często pojawia się w dyskusjach o nowoczesnych systemach grzewczych. Choć może wydawać się skomplikowane, jego rola jest nie do przecenienia, zwłaszcza w instalacjach łączących różne typy odbiorników ciepła. Zrozumienie jego działania pozwoli docenić jego znaczenie dla efektywności i żywotności całego systemu.
Jak działa sprzęgło hydrauliczne i dlaczego chroni Twój piec przed "taktowaniem"?
Sprzęgło hydrauliczne to w zasadzie pionowa rura o dużej średnicy, która jest włączona pomiędzy obieg kotłowy a obiegi grzewcze. Działa na zasadzie rozdzielenia hydraulicznego woda z kotła wpływa do sprzęgła, a pompy poszczególnych obiegów grzewczych (np. obieg grzejnikowy i obieg podłogowy) pobierają wodę bezpośrednio z niego. Kluczową korzyścią jest to, że pompa kotłowa pracuje niezależnie od pomp obiegów grzewczych. Zapobiega to zjawisku "taktowania" kotła, czyli jego częstego włączania i wyłączania. Taktowanie jest niekorzystne dla kotła, ponieważ powoduje szybkie zużycie podzespołów i obniża jego sprawność. Dzięki sprzęgłu hydraulicznemu piec pracuje stabilniej, dłużej, a Ty możesz liczyć na niższe rachunki za energię.
Przykładowy schemat podłączenia z użyciem sprzęgła hydraulicznego
Wyobraźmy sobie typową instalację: kocioł jest podłączony do sprzęgła hydraulicznego. Z jednej strony sprzęgła mamy obieg kotłowy, zasilany przez pompę kotłową. Z drugiej strony sprzęgła znajdują się dwa niezależne obiegi grzewcze: jeden dla grzejników, z własną pompą i zaworem mieszającym (jeśli jest potrzebny), oraz drugi dla ogrzewania podłogowego, z grupą pompowo-mieszającą i własną pompą. Woda z kotła trafia do sprzęgła, a następnie jest pobierana przez pompy obiegów grzewczych. W przypadku obiegu podłogowego, grupa mieszająca obniża temperaturę, a w obiegu grzejnikowym woda może być podawana w wyższej temperaturze. Taki podział zapewnia optymalne warunki pracy dla każdego z systemów.
Pierwsze uruchomienie i regulacja: najczęstsze błędy, których musisz uniknąć
Montaż instalacji to dopiero początek. Prawidłowe pierwsze uruchomienie i późniejsza regulacja są równie ważne, aby system działał efektywnie i bezawaryjnie przez lata. Zaniedbanie tych etapów może prowadzić do kosztownych problemów.
Próba ciśnieniowa instalacji: obowiązkowy test szczelności przed wylewką
To jest absolutnie kluczowy etap, którego nie można pominąć. Po ułożeniu rur systemu ogrzewania podłogowego i przed wykonaniem wylewki, cała instalacja musi zostać poddana próbie ciśnieniowej. Polega ona na napełnieniu systemu wodą lub powietrzem i utrzymaniu odpowiedniego ciśnienia przez określony czas (zazwyczaj 24 godziny). Ciśnienie powinno być wyższe niż robocze, ale nie przekraczać dopuszczalnych norm dla rur i złączek. Jest to ostatnia szansa na wykrycie i naprawę ewentualnych nieszczelności. Jeśli po próbie ciśnieniowej okaże się, że instalacja jest nieszczelna, można to naprawić bez konieczności kucia całej wylewki, co byłoby bardzo kosztowne i pracochłonne.
Jak skutecznie odpowietrzyć ogrzewanie podłogowe po montażu?
Powietrze w instalacji grzewczej to wróg numer jeden. Powoduje ono nie tylko nieprzyjemne bulgotanie i hałas, ale przede wszystkim obniża efektywność grzania i może prowadzić do nierównomiernego rozprowadzania ciepła. Po napełnieniu instalacji wodą, należy ją dokładnie odpowietrzyć. Proces ten zazwyczaj zaczyna się od odpowietrzników zamontowanych na rozdzielaczu. Należy stopniowo otwierać zawory, pozwalając powietrzu na ujście, aż zacznie wypływać czysta woda. Warto również pamiętać o odpowietrzeniu grupy pompowo-mieszającej i innych elementów systemu. Cierpliwość na tym etapie jest kluczowa dla zapewnienia komfortu cieplnego w całym domu.
Regulacja przepływu na rotametrach: jak zrównoważyć pętle grzewcze?
Po odpowietrzeniu przychodzi czas na regulację przepływu na rotametrach, które znajdują się na belce zasilającej rozdzielacza. Rotametry pokazują, ile litrów wody na minutę przepływa przez daną pętlę grzewczą. Celem jest takie ustawienie przepływu w każdej pętli, aby cała powierzchnia podłogi była ogrzewana równomiernie. Dłuższe pętle zazwyczaj wymagają większego przepływu. Prawidłowa regulacja zapobiega sytuacji, w której jedne pomieszczenia są gorące, a inne ledwo ciepłe. Jest to proces iteracyjny po wstępnym ustawieniu należy poczekać, aż temperatura się ustabilizuje, a następnie dokonać ewentualnych korekt.
Przeczytaj również: Jakie ciśnienie w ogrzewaniu podłogowym zapewni jego prawidłowe działanie?
Wygrzewanie jastrychu: dlaczego cierpliwość na tym etapie popłaca?
Po wykonaniu wylewki i zainstalowaniu systemu ogrzewania podłogowego, następuje etap wygrzewania jastrychu. Jest to proces stopniowego podnoszenia temperatury wody w instalacji, zaczynając od niskiej wartości (np. 25°C) i powoli ją zwiększając przez kilka dni, aż do osiągnięcia docelowej temperatury roboczej. Następnie temperaturę stopniowo się obniża. Celem wygrzewania jest równomierne wysuszenie wylewki i zapobieganie jej pękaniu pod wpływem naprężeń termicznych. Jest to proces długotrwały, wymagający cierpliwości, ale absolutnie niezbędny dla zapewnienia trwałości i wytrzymałości posadzki, a co za tym idzie bezawaryjnej pracy ogrzewania podłogowego przez wiele lat.
